ch32v003-getting-started-ja

MounRiver Studioで使う CH32V003 はじめの一歩

View on GitHub

目次に戻る

リセット・クロックコントロール (RCC)

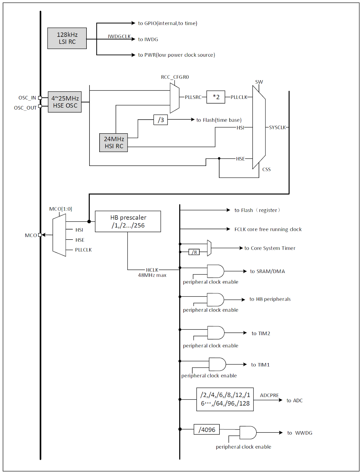
システムクロック構造

クロックツリー 図 クロックツリー CH32V003リファレンスマニュアル3章より

システムクロック (SYSCLK)

HBパス・ペリフェラルクロック (HCLK)

マイクロコントローラ・クロック出力 (MCO)

クロックセキュリティシステム

レジスタ

CH32V00x.hでは、RCCレジスタ群は構造体として定義されていて、各レジスタには以下のような C言語の識別子が割り当てられている。

RCC->CTLR
RCC->CFGR0
RCC->INTR
RCC->APB2PRSTR
RCC->APB1PRSTR
RCC->AHBPCENR
RCC->APB2PCENR
RCC->APB1PCENR
RCC->RSTSCKR

これらの識別子は、RCC ペリフェラルの各ハードウェアレジスタにメモリマップド I/O として対応付けられている。

    RCC->CFGR0 &= (uint32_t)0xFFFEFFFF;
    RCC->INTR = 0x009F0000;
    // C言語からはこのようにレジスタを扱うことができる
CTLR クロックコントロールレジスタ 初期値 0x0000xx83
[31:26]         RO Reserved
[   25] PLLRDY  RO PLL安定フラグ 1:安定した 0:していない
[   24] PLLON   RW PLL制御ビット 1:PLL有効 0:PLL無効
[23:20]         RO Reserved
[   19] CSSON   RW クロックセキュリティシステム有効化ビット 1:有効 0:無効
[   18] HSEBYP  RW HSEバイパス制御ビット 1:バイパスする(クロックを入力) 0:しない
[   17] HSERDY  RO HSE安定フラグ
[   16] HSEON   RW HSE制御ビット
[15: 8] HSICAL  RO HSIキャリブレーション値
[ 7: 3] HSITRIM RW HSI微調整
[    2]         RO Reserved
[    1] HSIRDY  RO HSI安定フラグ
[    0] HSION   RW HSI制御ビット

CFGR0 クロック構成レジスタ0 初期値 0x00000020
[31:27]        RO Reserved
[26:24] MCO    RW MCOピンスロック出力制御
                  0xx:出力なし
                  100:SYSCLK 101:HSI 110:HSE 111:PLL
[23:17]        RO Reserved
[   16] PLLSRC RW PLLソース 0:HSI 1:HSE
[15:11] ADCPRE RW ADCクロックソース
                  000xx:HBCLK/2   100xx:HBCLK/6
                  00100:HBCLK/4   10100:HBCLK/12
                  00101:HBCLK/8   10101:HBCLK/24
                  00110:HBCLK/16  10110:HBCLK/48
                  00111:HBCLK/32  10111:HBCLK/96
                  010xx:HBCLK/4   110xx:HBCLK/8
                  01100:HBCLK/8   11100:HBCLK/16
                  01101:HBCLK/16  11101:HBCLK/32
                  01110:HBCLK/32  11110:HBCLK/64
                  01111:HBCLK/64  11111:HBCLK/128
[10: 8]        RO Reserved
[ 7: 4] HPER   RW HBCLKプリスケーラ
                  0000:SYSCLK    1000:SYSCLK/2
                  0001:SYSCLK/2  1001:SYSCLK/4
                  0010:SYSCLK/3  1010:SYSCLK/8
                  0011:SYSCLK/4  1011:SYSCLK/16
                  0100:SYSCLK/5  1100:SYSCLK/32
                  0101:SYSCLK/6  1101:SYSCLK/64
                  0110:SYSCLK/7  1110:SYSCLK/128
                  0111:SYSCLK/8  1111:SYSCLK/256
[ 3: 2] SWS    RO SYSCLKステータス
                  00:HSI 01:HSE 10:PLL 11:Not available
[ 1: 0] SW     RW システムクロックソース
                  00:HSI 01:HSE 10:PLL 11:無効

INTR クロックインタラプトレジスタ 初期値 0x00000000
[31:24]          RO Reserved
[   23] CSSC     WO クロックセキュリティシステム割り込みフラグ (CSSF) クリア制御 1:クリアする
[22:21]          RO Reserved
[   20] PLLRDYC  WO PLL-Ready割り込みフラグ (PLLRDYF) クリア制御 1:クリアする
[   19] HSERDYC  WO HSE-Ready割り込みフラグ (HSERDYF) クリア制御
[   18] HSIRDYC  WO HSI-Ready割り込みフラグ (HSIRDYF) クリア制御
[   17]          RO Reserved
[   16] LSIRDYC  WO LSI-Ready割り込みフラグ (LSIRDYF) クリア制御
[15:13]          RO Reserved
[   12] PLLRDYIE RW PLL-Ready割り込み有効ビット 1:割り込み有効
[   11] HSERDYIE RW HSE-Ready割り込み有効ビット
[   10] HSIRDYIE RW HSI-Ready割り込み有効ビット
[    9]          RO Reserved
[    8] LSIRDYIE RW LSI-Ready割り込み有効ビット
[    7] CSSF     RO クロックセキュリティシステム割り込みフラグ
[ 6: 5]          RO Reserved
[    4] PLLRDYF  RO PLL-Ready割り込みフラグ (PLLRDYCでクリア)
[    3] HSERDYF  RO HSE-Ready割り込みフラグ
[    2] HSIRDYF  RO HSI-Ready割り込みフラグ
[    1]          RO Reserved
[    0] LSIRDYF  RO LSI-Ready割り込みフラグ

APB2PRSTR ペリフェラルリセットレジスタ 初期値 0x00000000
[31:15]           RO Reserved
[   14] USART1RST RW USART1リセットコントロール 1:リセット
[   13]           RO Reserved
[   12] SPI1RST   RW SPI1リセットコントロール
[   11] TIM1RST   RW TIM1リセットコントロール
[   10]           RO Reserved
[    9] ADC1RST   RW ADC1リセットコントロール
[ 8: 6]           RO Reserved
[    5] IOPDRST   RW GPIO PDリセットコントロール
[    4] IOPCRST   RW GPIO PCリセットコントロール
[    3]           RO Reserved
[    2] IOPARST   RW GPIO PAリセットコントロール
[    1]           RO Reserved
[    0] AFIORST   RW AFIO (I/O auxiliary function) リセットコントロール

APB1PRSTR ペリフェラルリセットレジスタ 初期値 0x00000000
[31:29]           RO Reserved
[   28] PWRRST    RW パワーインターフェースモジュールリセットコントロール
[27:22]           RO Reserved
[   21] I2C1RST   RW I2C1リセットコントロール
[20:12]           RO Reserved
[   11] WWDGRST   RW WWDG (Window watchdog) リセットコントロール
[10: 1]           RO Reserved
[    0] TIM2RST   RW TIM2リセットコントロール

AHBPCENR ペリフェラルクロック Enable レジスタ 初期値 0x00000004
[31: 3]           RO Reserved
[    2] SRAMEN    RW SRAM interface module clock enable bit.
[    1]           RO Reserved
[    0] DMA1EN    RW DMA1 module clock enable bit.

APB2PCENR ペリフェラルクロック Enable レジスタ 初期値 0x00000000
[31:15]           RO Reserved
[   14] USART1EN  RW USART1 clock enable bit.
[   13]           RO Reserved
[   12] SPI1EN    RW SPI1 clock enable bit.
[   11] TIM1EN    RW TIM1 clock enable bit.
[   10]           RO Reserved
[    9] ADC1EN    RW ADC1 clock enable bit.
[ 8: 6]           RO Reserved
[    5] IOPDEN    RW PD port clock enable bit.
[    4] IOPCEN    RW PC port clock enable bit.
[    3]           RO Reserved
[    2] IOPAEN    RW PA port clock enable bit.
[    1]           RO Reserved
[    0] AFIOEN    RW AFIO (I/O auxiliary function) clock enable bit.

APB1PCENR ペリフェラルクロック Enable レジスタ 初期値 0x00000000
[31:29]           RO Reserved
[   28] PWREN     RW Power interface module clock enable bit.
[27:22]           RO Reserved
[   21] I2C1EN    RW I2C1 clock enable bit.
[20:12]           RO Reserved
[   11] WWDGEN    RW WWDG (Window watchdog) clock enable bit.
[10: 1]           RO Reserved
[    0] TIM2EN    RW TIM2 clock enable bit.

RSTSCKR Control/Status レジスタ 初期値 0x0c000000
[   31] LPWRRSTF  RO Low-power リセットフラグ
[   30] WWDGRSTF  RO WWDGリセットフラグ
[   29] LWDGRSTF  RO IWDGリセットフラグ
[   28] SFTRSTF   RO ソフトウェアリセットフラグ
[   27] PORRSTF   RO Power-up/power-down リセットフラグ
[   26] PINRSTF   RO NRSTピンリセットフラグ
[   25]           RO Reserved
[   24] RMVF      RW リセットフラグコントロール 1:すべてのリセットフラグをクリアする
[23: 2]           RO Reserved
[    1] LSIRDY    RO Low Speed Clock (LSI) 安定フラグ
[    0] LSION     RW LSI有効化ビット

この文章のライセンス

CC0 1.0 Universal

2026-02-17作成 2026-02-19更新 佐藤恭一 kyoutan.jpn.org

目次に戻る